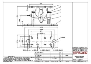
ANYLOAD, 102BHM1-(50-75)Klb, General Arrangement

Scroll to Top